The custom CD grain screw is specifically designed to meet the needs of knife manufacturers in the United States.
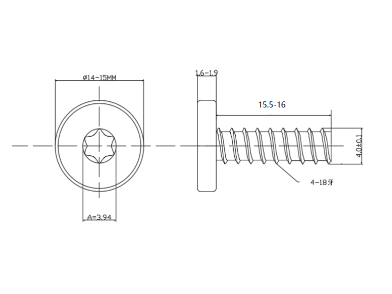
Featuring a 4mm thread diameter and a length of 16mm, this flat head screw is easy to install and remove using a Torx driver.
Made from high-quality stainless steel 304, this screw provides excellent corrosion resistance while maintaining its strength and durability over time. The flat head design allows it to sit flush with the surface of the material, providing a clean, streamlined look.
The CD pattern in the screw head ensures secure fastening and reduces the risk of slipping or stripping during installation or removal.
This makes it an ideal choice for use in fixed blade knives, where reliable and strong fastening is critical.
The CD grain screw also widely use in cell phone, watch and other electronic products.





