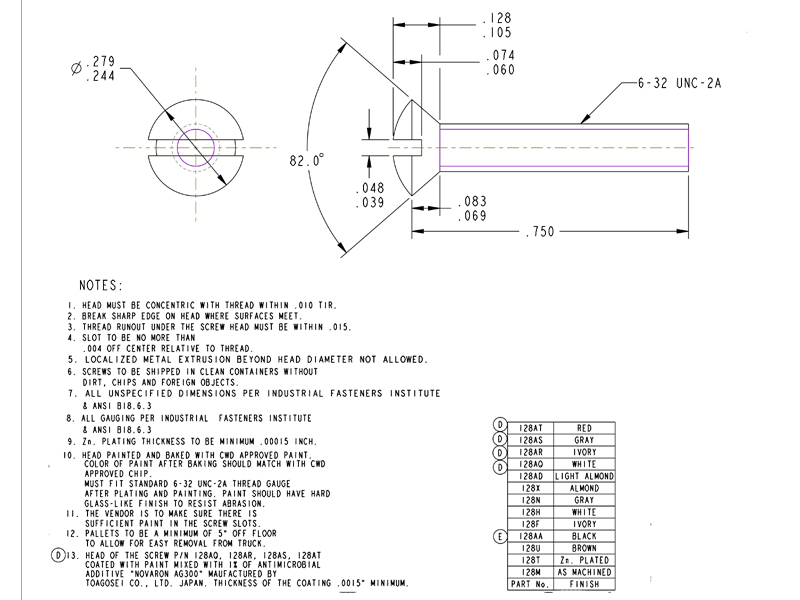
We supply a large number of the slotted switch plate screw, 6-32 thread was incorporated at 19.5mm length underneath the head, white zinc plating and the screw head is white coating (for screw head coating, we can offer black, khaki and red color). There may be scratches on the screw head surface during transportation because white coating, therefore, we usually recommend customers to pack individually or several in PE bags. We have a large stock of this screw because it is supplied to many customers.




