The customer is one of  North America’s leading suppliers of solar energy products in the Canada.

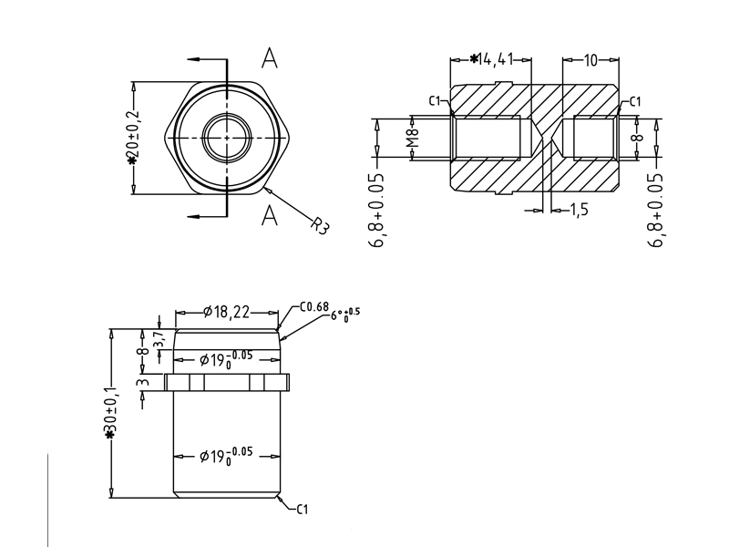
We produced this H62 brass insert nut – is perfect solution for solar charging kit needs, with a thread diameter of 8mm and the total length of 30mm. This durable and reliable nut will securely hold components in place. Made from high quality H62 brass material, it offers excellent corrosion resistance and is built to last.

Whether you’re assembling a solar panel or a portable charger, the H62 brass insert nut is the ideal choice for a strong and secure connection.